磁性回油過濾器系列(傳統型)
- 品牌:FeiFLTER(菲利特)
- 型號:國標GP、WY系列磁性過濾器
- 材質:碳鋼
- 過濾精度:3-30微米
- 單臺流量:300-800L/min
- 公稱壓力:1.6Mpa
- 應用領域:化工,石油,汽車,冶金,機械加工
磁性回油過濾器系列(傳統型) MAGNETIC RETURN FILTER SERIES 簡介 磁性回油過濾器是我公司參考國外先進技術資料及廣大用戶的具體要求而特殊設計的新產品,這些過濾器僅一小部分的濾頭
-
成交量:0 好評率:5星
-
產品描述
Product description
磁性回油過濾器系列(傳統型)
MAGNETIC RETURN FILTER SERIES
簡介磁性回油過濾器是我公司參考國外先進技術資料及廣大用戶的具體要求而特殊設計的新產品,這些過濾器僅一小部分的濾頭連接部分露在油箱外,其余大部分都在油箱內部,從而簡化了系統管路,安裝方便,系統排列緊湊美觀。在結構上我們改進了原來管路回油過濾器的龐大結構,考慮到液壓系統內產生量多的還是鐵磁性污染物,所以在回油精過濾前,先經強磁鐵進行磁性過濾,然后再經二級精密過濾。
這種過濾器設有濾芯污染堵塞發訊器和油路旁通閥,當回油壓力達到0.35MPa時,發訊器發出開關信號或報警,還可直接從發訊器的表盤上讀出回油壓力值,以提示操作人員及時更換濾芯,系統油液的清潔度。更換濾芯只需旋開過濾器端蓋即可。當回油壓力上升至0.4MPa時,過濾器內的旁通閥便自動卸荷,以避免回油壓力上升至0.4MPa時,過濾器內的旁通閥便自動卸荷,以避免回油壓力過高造成整個系統工作性能不良。
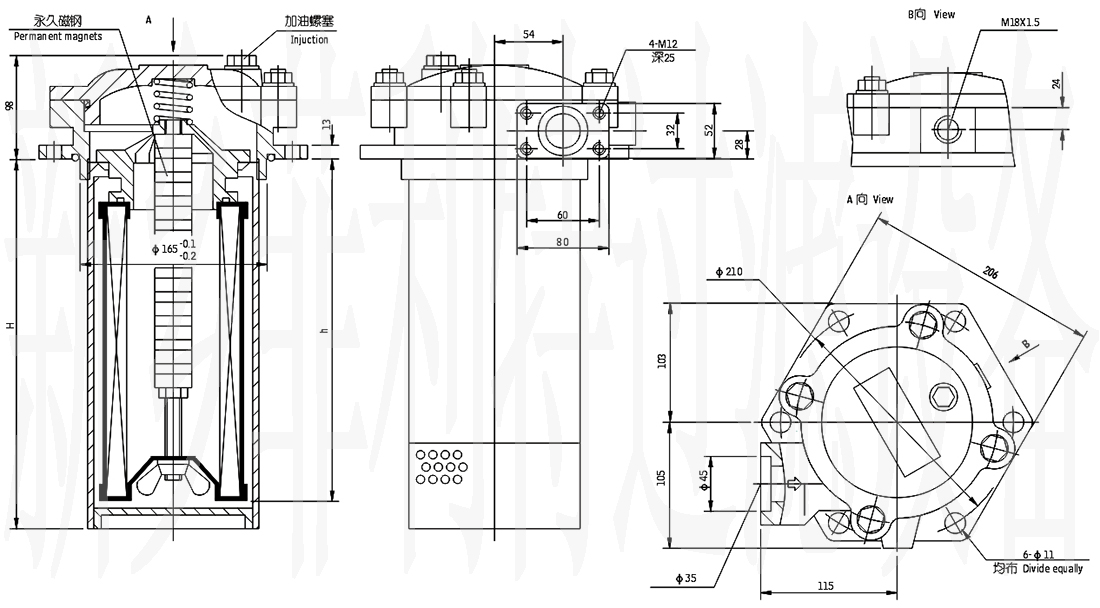
(一)、WY及GP系列磁性回油過濾器
1、型號說明

2、技術參數

3、連接尺寸
GP系列

WY系列

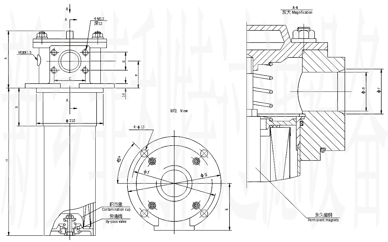
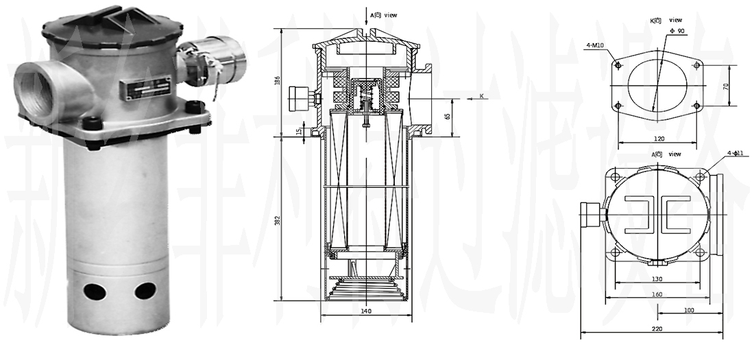
(二)、LXZS自封式磁性回油過濾器
1. 性能用途:
本過濾器除具有磁性回油過濾器性能與特點外,還可直接安裝在油箱上部,側邊或底部, 因該過濾器設有自封閥,當更換、清洗濾芯或維修系統時,只要旋開過濾器端蓋,自風閥就會自動關閉來隔絕油路,使油箱內油液不向外流,使清洗、更換濾芯或維修系統變的非常方便。
2. 技術參數:
a. 額定工作壓力:1.6(MPa)
b. 原始壓力損失ΔP:0.02(MPa)
c. 額定工作流量:160;400(L/min)
d. 過濾精度:10;20(μm)
e. 磁場強度:≥0.4(T)
f. 旁通閥開啟壓力:0.4(MPa)
g. 發訊器發訊壓力:0.35(MPa)
h. 發訊器功率:50W;DC24(V)或orAC220(V)


關鍵詞TAG: Return_Line_Filter_Type_RF 取水 微熱 FXQ-32 葉片分離器 現有 氣旋型 成功
2643127547